柱式S型拉压力传感器(Column type S-type tension pressure sensor)

产品信息(Product information)
1.产品品牌:顺强
2.产品型号:SQ-6212-M24
3.产品特点:传感器采用柱式S型结构、强度好、稳定性好等特点。
4.产品用途:适用于工业系统中力的测量和天车秤、料斗秤等各种称重、测力的工业自动化测量控制系统。
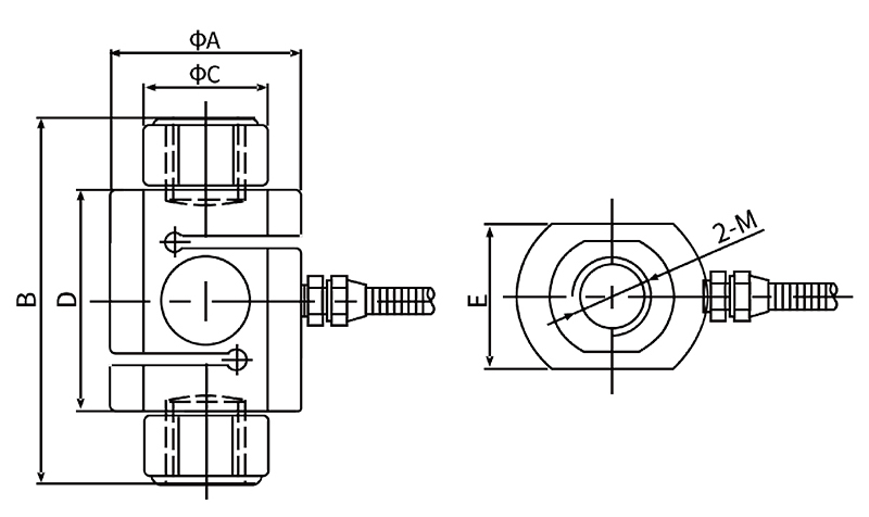
产品尺寸(Product size)

量程(t) | φA | φB | φC | D | E | M |
100-1000kg | 44 | 88 | 28 | 56 | 26 | m16×1.5 |
1~5T | 58 | 112 | 38 | 68 | 44 | m24×3 |
10T | 84 | 160 | 60 | 104 | 58 | m36×4 |
20T | 88 | 156 | 68.5 | 108 | 76 | m36×4 |
产品参数(Product parameter)
量程:0—20T | 材质:合金钢 |
输出灵敏度:2.0±10%mv/v | 阻抗:350Ω |
零点输出:±1%F.S. | 绝缘电阻:≥5000MΩ/100V DC |
非线性:0.05%F.S. | 使用电压:DC 5-15V |
滞后:0.05%F.S. | 工作温度范围:-20-80℃ |
重复性:0.03%F.S. | 安全过载:150% |
蠕变(30min):0.05%F.S. | 极限过载:200% |
温度灵敏度漂移:0.05%F.S./10℃ | 电缆线规格:φ5<2T 3M、>2T 5M |
零点温度漂移:0.05%F.S./10℃ | 电缆线极限拉力:10kg |
响应频率:10KHZ | TEDS可选 |
产品实拍图(Product real picture)




全国服务热线










