波纹管防爆称重模块(Bellows explosion-proof weighing module)

产品信息(Product information)
1. 采用焊接密封传感器,防护等级IP68适合在任何环境下使用
2. 球形连接,始终保持模块垂直称重状态
3. 支撑螺栓,防止设备倾覆
4. 适用于化工、医药、食品等行业的中小容量反应釜的配料称重控制
5. 与梅特勒托利多UW不锈钢模块兼容
6. 维修方便,节约停机维护时间
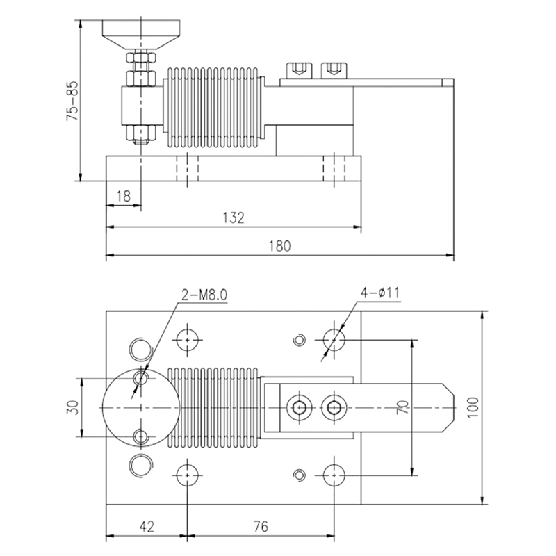
产品尺寸(Product size)

产品参数(Product parameter)
产品型号:SQMK-5914A | 精度等级:C3 |
产品量程:10/20/30/40/50/75/100/150/200/250/300/500kg | |
输出灵敏度:2.0mV/V | 非线性:0.03%F.S. |
滞后:0.03%F.S. | 重复性:0.03%F.S. |
蠕变(30min):0.03%F.S. | 温度灵敏度漂移:0.003%F.S./℃ |
输入电阻:400±20Ω | 零点温度漂移:0.003%F.S./℃ |
输出电阻:352±3Ω | 绝缘电阻:≥5000MΩ |
激励电压:5~12V | 最大激励电压:15V |
温度补偿范围:-10~40℃ | 工作温度范围:-30~70℃ |
安全超载:150%F.S. | 极限超载:200%F.S. |
电缆线尺寸:φ5×3000mm | 材料:合金钢 |
防护等级:IP68 | |
模块安装方式(Module installation mode)
根据传感器的不同组装方式分以下三种:
1.固定模块:安装点不会产生水平位移
2.半浮动模块:使称重系统能围绕着固定点进行调整,从而消除容器变形对称重精度的影响
3.浮动模块:安装点即使在出现水平位移的情况下,仍能将承载力精准地传递给传感器

产品应用举例(Product application examples)


产品实拍图(Product real picture)




全国服务热线









