波纹管称重模块(Bellows weighing module)

产品信息(Product information)
1. 产品型号:SQ-5914
2. 产品名称:波纹管称重模块
3. 输出灵敏度:2.0mV/V
4. 滞后:0.03%F.S.
5. 非线性:0.03%F.S.
6. 输入电阻:400±20Ω
7. 重复性:0.03%F.S.
8. 输入电阻:400±20Ω
9. 重复性:0.03%F.S.
10. 输出电阻:352±3Ω
11. 绝缘电阻:≥5000MΩ
12. 安全超载:150%F.S.
13. 极限超载:200%F.S.
14. 电缆线尺寸:φ5×3000mm
15. 材料:合金钢
16. 精度等级:C3
17. 防护等级:IP68
18. 蠕变(30min):0.03%F.S.
19. 温度灵敏度漂移:0.003%F.S./℃
20. 零点温度漂移:0.003%F.S./℃
21. 温度补偿范围:-10~40℃
22. 最大激励电压:15V
23. 激励电压:5~12V
24. 工作温度范围:-30~70℃
25. 产品量程:5/10/20/30/40/50/75/100/150/200/250/300/500kg
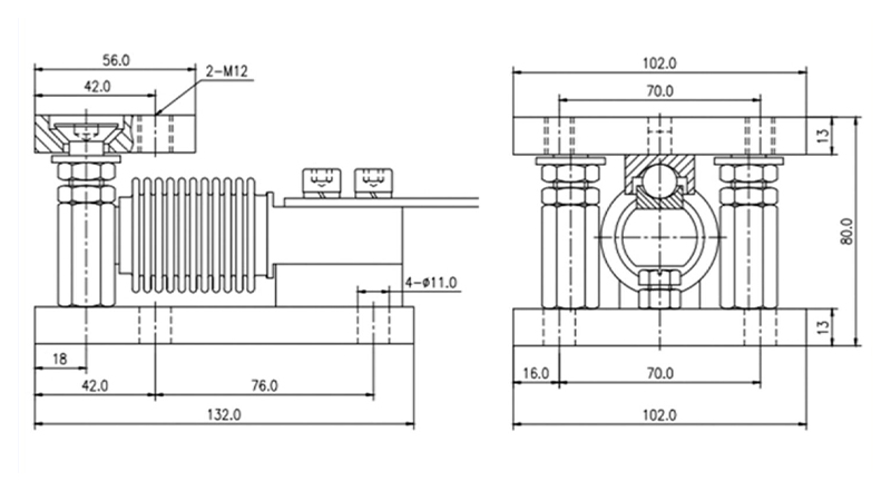
产品尺寸(Product size)

模块安装方式(Module installation mode)
根据传感器的不同组装方式分以下三种:
1.固定模块:安装点不会产生水平位移
2.半浮动模块:使称重系统能围绕着固定点进行调整,从而
消除容器变形对称重精度的影响
3.浮动模块:安装点即使在出现水平位移的情况下,仍能将
承载力精准地传递给传感器

产品说明(Product description)
传感器采用全密封结构,环境适应性较强球形联接件,始终保持模块垂直称重状态接地装置,保护传感器免受电源浪涌冲击过载保护装置,保护传感器免受冲击力

产品实拍图(Product real picture)




全国服务热线










