B6E称重传感器(B6E load cell)

产品信息(Product information)
1. 产品名称:称重传感器
2. 产品量程:20kg~300kg
3. 产品材质:表面阳极处理 合金钢
4. 产品类型:H6E型
5. 产品用途:用于电子秤/包装秤/配料秤等
6. 防护等级:IP66
7. 产品质保:7天包退换,1年保修
8. 出厂单位:中航电测仪器股份有限公司
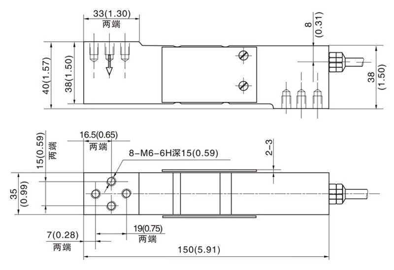
产品尺寸(Product size)

产品参数(Product parameter)
额定载荷 | kg | 20/30/50/75/100/150/200/250/300 | |
精度 | C2 | C3 | |
最大检定分度数 | nmax | 2000 | 3000 |
最小检定分度数 | Vmin | Emax/5000 | Emax/10000 |
综合误差 | (%FS) | ≤±0.030 | ≤±0.02 |
蠕变 | (%FS/30min) | ≤±0.024 | ≤±0.016 |
温度对输出灵敏度的影响 | (%FS/10℃) | ≤±0.017 | ≤±0.011 |
温度对零点输出的影响 | (%FS/10℃) | ≤±0.023 | ≤±0.015 |
输出灵敏度 | (mv/v) | 2.0±0.2/2.0±0.002 | |
输入阻抗 | (Ω) | 384±4/400±20 | |
输出阻抗 | (Ω) | 351±2.0 | |
绝缘阻抗 | (MΩ) | ≥5000(50VDC) | |
零点输出 | (%FS) | 1.5 | |
温度补偿范围 | (℃) | -10~+40 | |
允许使用温度范围 | (℃) | -35~+70 | |
推荐激励电压 | (V) | 5~12(DC) | |
最大激励电压 | (V) | 18(DC) | |
安全过载范围 | (%FS) | 150 | |
极限过载范围 | (%FS) | 300 | |
四角误差 | 0.02%加载值/100mm | ||
注:S1型输出灵敏度为:2.0±0.002mv/v,输入阻抗为:400±20
产品实拍图(Product real picture)




全国服务热线










